lambdasonde 2.0 en 2.5
lambdasonde 2.0 en 2.5
Vandaag had ik kort contact met Safrane010 over de aansluiting van de lambdasonde (in het schema item 242) op de ECU.
Er zijn nog problemen met de lambdasonde, en als ik me goed herinner had Wally die ook al.
De vraag is hoe die moet worden aangesloten
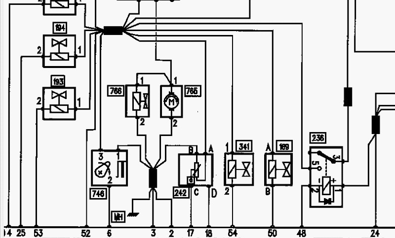
In de documentatie van de 2.0 (MR302 N7Q p 109 ev) is die duidelijk af te lezen, zie de bovenste figuur.
A (52, 12V) en B (2,3 aarde) is de lambdaverwarming, D (18) de aarde en C (17) het lambdasignaal.
. .
Als je kijkt in de documentatie van de 2.5 (Ph 2 B54F p 90 ev) is het minder duidelijk, zie de onderste figuur.
De getallen zijn hier minder duidelijk te lezen, maar in de toelichting lees je:
10 massa lambdasonde, 39 signaal lambdasonde, 53 massa stuursignaal lambdasonde en 54 bewaking inspuitstukken.
Volgens de tekening is 10 verbonden met 53 en 39 met 54.
Maar 10 en 53 zijn beide massa en 54 is 12 V en om dat nu naar het signaal te sturen ....
. .
Wie kijkt er anders naar?
Of heeft andere informatie?
Er zijn nog problemen met de lambdasonde, en als ik me goed herinner had Wally die ook al.
De vraag is hoe die moet worden aangesloten
In de documentatie van de 2.0 (MR302 N7Q p 109 ev) is die duidelijk af te lezen, zie de bovenste figuur.
A (52, 12V) en B (2,3 aarde) is de lambdaverwarming, D (18) de aarde en C (17) het lambdasignaal.
. .
Als je kijkt in de documentatie van de 2.5 (Ph 2 B54F p 90 ev) is het minder duidelijk, zie de onderste figuur.
De getallen zijn hier minder duidelijk te lezen, maar in de toelichting lees je:
10 massa lambdasonde, 39 signaal lambdasonde, 53 massa stuursignaal lambdasonde en 54 bewaking inspuitstukken.
Volgens de tekening is 10 verbonden met 53 en 39 met 54.
Maar 10 en 53 zijn beide massa en 54 is 12 V en om dat nu naar het signaal te sturen ....
. .
Wie kijkt er anders naar?
Of heeft andere informatie?
Safrane 2.0 RTE 2000 LPG3 85k >> 430k
Je vindt slechts wat je zoekt.
Je vindt slechts wat je zoekt.
- AS1 (Anne)
- Administrator
- Berichten: 3964
- Lid geworden op: 24 mar 2007, 12:25
- Locatie: België
Re: lambdasonde 2.0 en 2.5
M.i. kunnen 10 en 53 niet beide massa zijn. Dan zou er geen stroom door de verwarming gaan lopen.
Dus een van de twee zal +12V zijn.
Dus een van de twee zal +12V zijn.
Clio 3 - 1.6 16V Initiale Paris aut. - 2007 (sinds sept. 2024)
Clio 2 - 1.4 16V Privilege aut. - 2002 (sinds juli 2022)
Gehad: R25 V6, Clio 1 1.4, Safrane V6, Safrane 2.5, Laguna V6, R21,
Clio 2 - 1.4 16V Privilege aut. - 2002 (sinds juli 2022)
Gehad: R25 V6, Clio 1 1.4, Safrane V6, Safrane 2.5, Laguna V6, R21,
Re: lambdasonde 2.0 en 2.5
Ja, dat lijkt mij ook.
Maar als je op pag 91-92 kijkt zijn ze volgens de toelichting beide massa.
Mijn conclusie: óf het schema is fout, óf de toelichting is fout.
Maar als je op pag 91-92 kijkt zijn ze volgens de toelichting beide massa.
Mijn conclusie: óf het schema is fout, óf de toelichting is fout.
Safrane 2.0 RTE 2000 LPG3 85k >> 430k
Je vindt slechts wat je zoekt.
Je vindt slechts wat je zoekt.
-
- Berichten: 192
- Lid geworden op: 02 jun 2023, 23:54
- Locatie: Rotterdam
Re: lambdasonde 2.0 en 2.5
Ik kom er niet uit…
Nieuwe ecu in de auto.
Op neutraal storing weg.
Op de rest , lambda storing….
Ik wil dus vanuit de pinouts, kabels trekken naar de lambda.
Na enkele kms rijden, blijft de lambda storing … ook in neutraal…
Nieuwe ecu in de auto.
Op neutraal storing weg.
Op de rest , lambda storing….
Ik wil dus vanuit de pinouts, kabels trekken naar de lambda.
Na enkele kms rijden, blijft de lambda storing … ook in neutraal…
Eigenaar van Renault safrane 2.5 20v 1998 Benzine/LPG
Overgenomen van Wally op vrijdag 22-november-2024
Distributie gedaan op 521.xxx
Motor met bak vervangen op 529009 op 28 januari 2025
Distributie gedaan op 26 januari 2025
Lpg installatie vernieuwd door lpi vialle op 17-06-2025
Bougies vervangen op 18-06-2025
Verdelerkap vervangen op 18-06-2025
Overgenomen van Wally op vrijdag 22-november-2024
Distributie gedaan op 521.xxx
Motor met bak vervangen op 529009 op 28 januari 2025
Distributie gedaan op 26 januari 2025
Lpg installatie vernieuwd door lpi vialle op 17-06-2025
Bougies vervangen op 18-06-2025
Verdelerkap vervangen op 18-06-2025
Re: lambdasonde 2.0 en 2.5
Het blijkt dat mijn 2.0 een heel andere stekker heeft dan een 2.5.
Is er iemand die bereid is in zijn 2.5 te meten welke pennen (10,39,53,54) van de ecu-stekker lopen naar welke positie in de stekker van de lambdasonde?
Is er iemand die bereid is in zijn 2.5 te meten welke pennen (10,39,53,54) van de ecu-stekker lopen naar welke positie in de stekker van de lambdasonde?
Safrane 2.0 RTE 2000 LPG3 85k >> 430k
Je vindt slechts wat je zoekt.
Je vindt slechts wat je zoekt.
-
- Berichten: 192
- Lid geworden op: 02 jun 2023, 23:54
- Locatie: Rotterdam
Re: lambdasonde 2.0 en 2.5
Zojuist de stekker doorgemeten van mijn defecte lambda regeling
Op beide verwarmings dragen gemeten vanuit massa naar pin 3 maar ook op pin 14 meer ik 13.xx volt… 1 moet 0 zijn, anders verwarmt ie niet
Op beide verwarmings dragen gemeten vanuit massa naar pin 3 maar ook op pin 14 meer ik 13.xx volt… 1 moet 0 zijn, anders verwarmt ie niet
Eigenaar van Renault safrane 2.5 20v 1998 Benzine/LPG
Overgenomen van Wally op vrijdag 22-november-2024
Distributie gedaan op 521.xxx
Motor met bak vervangen op 529009 op 28 januari 2025
Distributie gedaan op 26 januari 2025
Lpg installatie vernieuwd door lpi vialle op 17-06-2025
Bougies vervangen op 18-06-2025
Verdelerkap vervangen op 18-06-2025
Overgenomen van Wally op vrijdag 22-november-2024
Distributie gedaan op 521.xxx
Motor met bak vervangen op 529009 op 28 januari 2025
Distributie gedaan op 26 januari 2025
Lpg installatie vernieuwd door lpi vialle op 17-06-2025
Bougies vervangen op 18-06-2025
Verdelerkap vervangen op 18-06-2025
- AS1 (Anne)
- Administrator
- Berichten: 3964
- Lid geworden op: 24 mar 2007, 12:25
- Locatie: België
Re: lambdasonde 2.0 en 2.5
Heb jij een een lambda sonde specifiek voor de Safrane of een universele waar je zelf de bedrading aan de stekker moet knopen?
Clio 3 - 1.6 16V Initiale Paris aut. - 2007 (sinds sept. 2024)
Clio 2 - 1.4 16V Privilege aut. - 2002 (sinds juli 2022)
Gehad: R25 V6, Clio 1 1.4, Safrane V6, Safrane 2.5, Laguna V6, R21,
Clio 2 - 1.4 16V Privilege aut. - 2002 (sinds juli 2022)
Gehad: R25 V6, Clio 1 1.4, Safrane V6, Safrane 2.5, Laguna V6, R21,
-
- Berichten: 192
- Lid geworden op: 02 jun 2023, 23:54
- Locatie: Rotterdam
Re: lambdasonde 2.0 en 2.5
Stekker is plug and play.. alhoewel….
De gekleurde omgekeerd Moeten zitten dit heb ik verwisseld.
Zoals je ziet op de foto is rechts grijs en zwart, op de lambda stekker
Daarop komen de 12v kabels, dit kan niet, grijs en zwart zijn signaal massa draden.
Dus de stekker van de auto heb ik bewerkt zodat waar 12v op komt, de witte kabels dus, juist zijn aangesloten.
Maar 2x 12 of 13 volt kan niet… 1 moet een massa zijn….
De grijze en zwarte aansluiting heb ik ook verwisseld met elkaar maar dan hoor ik een relais klikken, en blijft het dashboard lichtjes branden…
De gekleurde omgekeerd Moeten zitten dit heb ik verwisseld.
Zoals je ziet op de foto is rechts grijs en zwart, op de lambda stekker
Daarop komen de 12v kabels, dit kan niet, grijs en zwart zijn signaal massa draden.
Dus de stekker van de auto heb ik bewerkt zodat waar 12v op komt, de witte kabels dus, juist zijn aangesloten.
Maar 2x 12 of 13 volt kan niet… 1 moet een massa zijn….
De grijze en zwarte aansluiting heb ik ook verwisseld met elkaar maar dan hoor ik een relais klikken, en blijft het dashboard lichtjes branden…
- Bijlagen
-
- Stekker lambda
- IMG_7996.jpeg (1.53 MiB) 151 keer bekeken
-
- Pin 4 voltage meting
- IMG_7992.jpeg (2.96 MiB) 151 keer bekeken
-
- Pin 3 voltage meting
- 9371CD74-5EEF-4D92-8031-0C82B1639E8C.jpeg (1.53 MiB) 151 keer bekeken
Eigenaar van Renault safrane 2.5 20v 1998 Benzine/LPG
Overgenomen van Wally op vrijdag 22-november-2024
Distributie gedaan op 521.xxx
Motor met bak vervangen op 529009 op 28 januari 2025
Distributie gedaan op 26 januari 2025
Lpg installatie vernieuwd door lpi vialle op 17-06-2025
Bougies vervangen op 18-06-2025
Verdelerkap vervangen op 18-06-2025
Overgenomen van Wally op vrijdag 22-november-2024
Distributie gedaan op 521.xxx
Motor met bak vervangen op 529009 op 28 januari 2025
Distributie gedaan op 26 januari 2025
Lpg installatie vernieuwd door lpi vialle op 17-06-2025
Bougies vervangen op 18-06-2025
Verdelerkap vervangen op 18-06-2025
- AS1 (Anne)
- Administrator
- Berichten: 3964
- Lid geworden op: 24 mar 2007, 12:25
- Locatie: België
Re: lambdasonde 2.0 en 2.5
Op de foto lijkt de 2e witte draad verkeerd te zitten vergeleken met de witte draden op de zwarte stekker...
Clio 3 - 1.6 16V Initiale Paris aut. - 2007 (sinds sept. 2024)
Clio 2 - 1.4 16V Privilege aut. - 2002 (sinds juli 2022)
Gehad: R25 V6, Clio 1 1.4, Safrane V6, Safrane 2.5, Laguna V6, R21,
Clio 2 - 1.4 16V Privilege aut. - 2002 (sinds juli 2022)
Gehad: R25 V6, Clio 1 1.4, Safrane V6, Safrane 2.5, Laguna V6, R21,
-
- Berichten: 192
- Lid geworden op: 02 jun 2023, 23:54
- Locatie: Rotterdam
Re: lambdasonde 2.0 en 2.5
vandaag weer bezig geweest met het lambdasonde probleem
ecu gedemonteerd, stekker gedemonteerd, alle kabels van het oude eurogas systeem heb ik verwijderd, alles weer orgineel gemaakt zoals het hoort en kabels van voor naar achter gemeten, alle kabels waren goed geen breuken
staps gewijs een voor een de kabels aangesloten op de lambdasonde, of ik had 0,660 volt, en op een andere manier aansluiten had ik 1,275 volt. of de short trim was -25% of 0,0% afijn ,wellicht kon het aan het gasklephuis liggen, onlangs had ik de gasklep al vervangen maar het zou zomaar zo kunnen zijn dat de tps sensor van de "nieuwe" defect kon zijn, deze sensor had ik enkele weken geleden bij de automaterialen zaak opgehaald en had ik nog op de plank liggen, deze heb ik toen geplaatst, het verschil, helemaal niks.. toen herinnerde me ik dat ik nog een andere lambdasonde had liggen, deze gemonteerd, het resultaat ik had nu een fluctuerende voltage, en een fluctuerende short trim en de longtrim deed het nu ook.
of deze waardes goed zijn, weet ik niet, ik heb nu in ieder geval wel signaal en voltage.
Geen lambda storing meer, maar wel brandstofinspuiting defect zodra : ->
P Geen storing
R Geen storing
N Geen storing
D Storing
als ik rijd en hem vervolgens in Neutraal zet, storing weg, vervolgens in Drive, komt de storing weer terug. Ook bij stilstaan in D
waarom dat dit probleem zich voordoet weet ik niet, wel blijf ik fluctuerende waardes krijgen, ipv Géén waardes als voorheen. we zijn een stap verder, maar we zijn er nog niet helemaal!
lmm , luchtfilter, gasklep,tps, bougies, klopsensor,nokkenas sensor , bdp sensor is al vervangen.
Edit: 14/7/2025:
Bovenstaande probleem heb ik nog steeds, maar Géén lambda storing meer als ik de auto uitlees. Lambdasonde is dus goed!
Wél brandstofinspuiting defect, wat nu het volgende probleem is, weet ik niet
ecu gedemonteerd, stekker gedemonteerd, alle kabels van het oude eurogas systeem heb ik verwijderd, alles weer orgineel gemaakt zoals het hoort en kabels van voor naar achter gemeten, alle kabels waren goed geen breuken
staps gewijs een voor een de kabels aangesloten op de lambdasonde, of ik had 0,660 volt, en op een andere manier aansluiten had ik 1,275 volt. of de short trim was -25% of 0,0% afijn ,wellicht kon het aan het gasklephuis liggen, onlangs had ik de gasklep al vervangen maar het zou zomaar zo kunnen zijn dat de tps sensor van de "nieuwe" defect kon zijn, deze sensor had ik enkele weken geleden bij de automaterialen zaak opgehaald en had ik nog op de plank liggen, deze heb ik toen geplaatst, het verschil, helemaal niks.. toen herinnerde me ik dat ik nog een andere lambdasonde had liggen, deze gemonteerd, het resultaat ik had nu een fluctuerende voltage, en een fluctuerende short trim en de longtrim deed het nu ook.
of deze waardes goed zijn, weet ik niet, ik heb nu in ieder geval wel signaal en voltage.
Geen lambda storing meer, maar wel brandstofinspuiting defect zodra : ->
P Geen storing
R Geen storing
N Geen storing
D Storing
als ik rijd en hem vervolgens in Neutraal zet, storing weg, vervolgens in Drive, komt de storing weer terug. Ook bij stilstaan in D
waarom dat dit probleem zich voordoet weet ik niet, wel blijf ik fluctuerende waardes krijgen, ipv Géén waardes als voorheen. we zijn een stap verder, maar we zijn er nog niet helemaal!
lmm , luchtfilter, gasklep,tps, bougies, klopsensor,nokkenas sensor , bdp sensor is al vervangen.
Edit: 14/7/2025:
Bovenstaande probleem heb ik nog steeds, maar Géén lambda storing meer als ik de auto uitlees. Lambdasonde is dus goed!
Wél brandstofinspuiting defect, wat nu het volgende probleem is, weet ik niet
- Bijlagen
-
- IMG_8109.png (4.67 MiB) 116 keer bekeken
-
- IMG_8116.jpeg (865.81 KiB) 114 keer bekeken
-
- IMG_8115.jpeg (107.61 KiB) 114 keer bekeken
Eigenaar van Renault safrane 2.5 20v 1998 Benzine/LPG
Overgenomen van Wally op vrijdag 22-november-2024
Distributie gedaan op 521.xxx
Motor met bak vervangen op 529009 op 28 januari 2025
Distributie gedaan op 26 januari 2025
Lpg installatie vernieuwd door lpi vialle op 17-06-2025
Bougies vervangen op 18-06-2025
Verdelerkap vervangen op 18-06-2025
Overgenomen van Wally op vrijdag 22-november-2024
Distributie gedaan op 521.xxx
Motor met bak vervangen op 529009 op 28 januari 2025
Distributie gedaan op 26 januari 2025
Lpg installatie vernieuwd door lpi vialle op 17-06-2025
Bougies vervangen op 18-06-2025
Verdelerkap vervangen op 18-06-2025